Tek Sistem, Üç Senaryo: HOKASU ile Aydınlatmada Esneklik Yeniden Tanımlanıyor
Günümüz yaşam alanları ve mimari projeler artık yalnızca şık tasarım değil, maksimum işlevsellik ve kontrol edilebilirlik de talep ediyor. Aydınlatma sistemleri bu dönüşümün tam merkezinde yer alıyor.
Özellikle magnet ray aydınlatma teknolojileri, son yıllarda hem estetik hem de teknik açıdan projelere bambaşka bir soluk getirdi.

İlk olarak ray sistemleri, birden fazla kablo çekmeden, tek bir hat üzerinden farklı aydınlatma ünitelerini yönetmek için tasarlandı. Zaman içinde bu sistemler evrim geçirerek daha dekoratif, daha zarif ve daha kullanıcı dostu hale geldi. Bu evrimin sonucunda ise karşımıza magnet ray teknolojisi çıktı.

Magnet ray spot sistemleri, kolay montaj, modüler yapı ve kompakt tasarımıyla özellikle modern iç mekanlarda hızla yaygınlaştı. Ancak piyasadaki birçok üretici, bu sistemin temel avantajlarını göz ardı ederek yalnızca görsel odaklı ürünler geliştirmeye başladı. Sonuç: şık ama fonksiyonel olmayan sistemler. Bugün birçok projede, tüm ışıkların aynı anda yandığı, bölgesel kontrolün mümkün olmadığı ve çoğu zaman ışık seviyesi bile ayarlanamayan magnet spot sistemleriyle karşılaşıyoruz.
Oysa ev projeleri, butik oteller veya özel ofisler gibi alanlarda ışık senaryosu çok kritik bir ihtiyaçtır. Yemek alanı, dinlenme köşesi, çalışma bölümü gibi alanlarda farklı aydınlatma seviyeleri ve ayrı kontrol grupları gereklidir.
İşte tam bu noktada HOKASU devreye giriyor
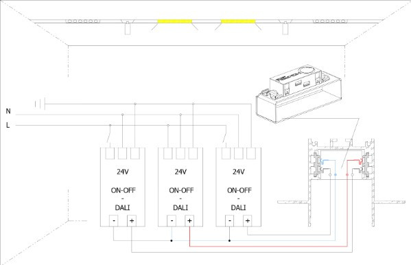
HOKASU'nun geliştirdiği sıva altı magnet ray sistemi, yalnızca estetik değil; teknik olarak da rakipsizdir. Şirket, tamamen kendi tasarımı olan yay içermeyen özel elektriksel kontak yapısı ve akıllı adaptör ünitesi sayesinde, aynı ray hattı üzerinde yer alan aydınlatma elemanlarını 3 farklı gruba ayırma olanağı sunuyor.
Bu ne anlama geliyor?
Tek bir magnet ray hattı üzerinde, örneğin; yemek masasını aydınlatan grup, TV ünitesi üzerindeki dolaylı ışık grubu ve genel tavan aydınlatması birbirinden bağımsız şekilde çalışabiliyor.
Üstelik bu sistem, ek bir akıllı otomasyon kurulumuna gerek kalmadan tek bir kumanda (PWM) ile kontrol edebilen trafoyla uyumlu çalışıyor. Tek senaryolu olarak ışığı azaltmak veya arttırmak artık çok daha ekonomik ve erişilebilir. Daha gelişmiş projelerde ise HOKASU, Casambi üzerinden DALI kontrol ile tam entegrasyon sunuyor. Akıllı telefon veya tabletle tüm senaryoları yönetmek mümkün.

Elbette bu teknoloji yalnızca işlevsellik değil, estetik de sunuyor. Gömme profilli yapısı ile sıva altı magnet ray, tavanla tamamen bütünleşerek yalın ve sade bir görünüm sağlar. HOKASU'nun özel olarak geliştirdiği manyetik LED lamba seçenekleriyle, spot, lineer veya sarkıt modüller aynı hatta birlikte kullanılabilir.

Ayrıca bu sistem, enerji verimliliği açısından da üst düzeydedir. Gereksiz yere yanan ışıklar yerine, ihtiyaç duyulan bölgeler aktif olur. Bu da hem daha sürdürülebilir hem de daha düşük enerji maliyetli projeler anlamına gelir.
HOKASU'nun yenilikçi çözümü, sadece Türkiye'de değil, Amerika Birleşik Devletleri başta olmak üzere yurt dışında da üst düzey konut ve mimari projelerde tercih edilmektedir.

Sonuç olarak; HOKASU’nun geliştirdiği bu magnet LED sistemi, yalnızca bir aydınlatma çözümü değil, aynı zamanda bir mimari araçtır. Aydınlatma artık yalnızca görmek için değil, hissettirmek ve yönlendirmek için de var.
Eğer siz de projenizde esnek, şık ve teknik olarak üstün bir çözüm arıyorsanız, manyetik ray spot teknolojisini yeniden tanımlayan HOKASU ile tanışma vaktiniz geldi.
